

|
|
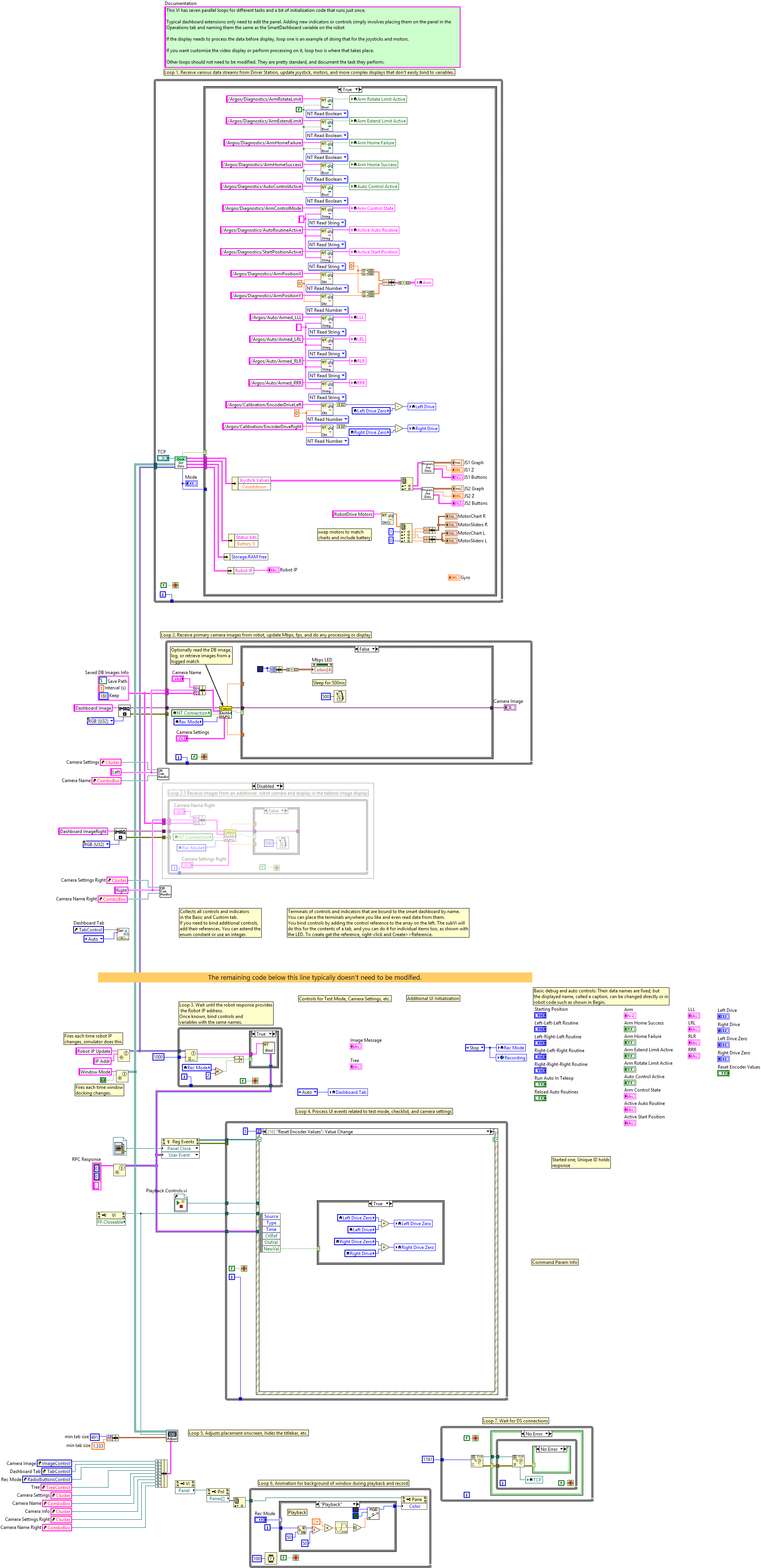
Dashboard Tab |
|
|
Rec Mode |
|
|
Stop |
|
|
Record |
|
|
Playback |
|
|
TCP connection ID is a network connection refnum that uniquely identifies the TCP connection. Use this value to refer to this connection in subsequent VI calls. |
|
|
Camera Name |
|
|
Camera Settings |
|
|
Frame Rate |
|
|
Compression |
|
|
Size |
|
|
DB Camera Config |
|
|
Camera Name Right |
|
|
Camera Settings Right |
|
|
Frame Rate |
|
|
Compression |
|
|
Size |
|
|
DB Camera Config |
|
|
Left-Left-Left Routine |
|
|
Left-Right-Left Routine |
|
|
Right-Left-Right Routine |
|
|
Right-Right-Right Routine |
|
|
Run Auto In Teleop |
|
|
Starting Position |
|
|
Reload Auto Routines |
|
|
Reset Encoder Values |
|
|
Camera Image |
|
|
Image Message |
|
|
JS2 Graph |
|
|
JS2 Buttons |
|
|
|
|
|
|
|
|
|
|
|
|
|
|
|
|
|
|
|
|
|
|
|
|
|
|
JS2 Z |
|
|
JS1 Graph |
|
|
JS1 Z |
|
|
JS1 Buttons |
|
|
|
|
|
|
|
|
|
|
|
|
|
|
|
|
|
|
|
|
|
|
|
|
|
|
Tree |
|
|
Robot IP |
|
|
Mode |
|
|
MotorChart L |
|
|
MotorSliders L |
|
|
MotorSlide1 |
|
|
MotorSlide2 |
|
|
MotorChart R |
|
|
MotorSliders R |
|
|
MotorSlide1 |
|
|
MotorSlide2 |
|
|
Gyro |
|
|
NT Connection |
|
|
Camera Info |
|
|
Mbps LED |
|
|
Mbps |
|
|
fps |
|
|
Arm |
|
|
Arm Home Success |
|
|
Arm Home Failure |
|
|
Arm Extend Limit Active |
|
|
Arm Rotate Limit Active |
|
|
Active Start Position |
|
|
Active Auto Routine |
|
|
Auto Control Active |
|
|
Arm Control State |
|
|
LLL |
|
|
LRL |
|
|
RLR |
|
|
RRR |
|
|
Left Drive |
|
|
Right Drive |
|
|
Left Drive Zero |
|
|
Right Drive Zero |


































"Dashboard Main.vi History"
Current Revision: 1068
